Chậu Lavabo Toto LT700CTR#XW đặt bàn với thiết kế sang trọng và tinh tế và phù hợp với nhiều không gian phòng tắm hiện đại. Đặc biệt, với kiểu dáng thon gọn Lavabo Toto LT700CTR#XW được làm từ chất liệu sứ cao cấp được phủ lớp men chống bám bẩn CeFiONtect giúp bề mặt luôn sáng bóng và hạn chế ố vàng và dễ dàng vệ sinh.
Ưu điểm Chậu rửa Lavabo đặt bàn LT700CTRXW
-
Thiết kế sang trọng, hiện đại, kiểu dáng đặt bàn tạo điểm nhấn dễ dàng kết hợp với nhiều phong cách phòng tắm hiện nay.
-
Chất liệu sứ cao cấp phủ men CeFiONtect giúp chống bám bẩn luôn giữ cho bề mặt luôn trắng sáng. Đặc biệt, hạn chế ố vàng và nấm mốc giúp dễ dàng vệ sinh và kháng khuẩn đảm bảo an toàn cho sức khỏe.
-
Độ bền vượt trội là sản phẩm được sản xuất theo tiêu chuẩn khắt khe của thương hiệu Toto Nhật Bản với khả năng chống nứt vỡ tốt kéo dài tuổi thọ cao.
-
Kích thước tiêu chuẩn, lắp đặt linh hoạt, phù hợp nhiều không gian như căn hộ, biệt thự hay các resort. Dễ dàng kết hợp với nhiều loại bàn đá và các kiểu tủ chậu Lavabo hiện đại.
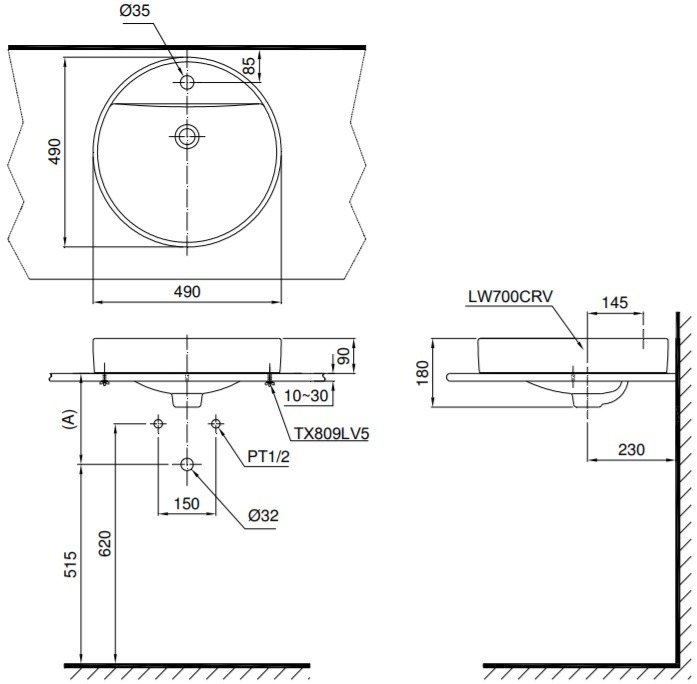
Bản vẽ Lavabo Toto LT700CTRXW đặt bàn
Dưới đây là bản vẽ kỹ thuật Lavabo TOTO LT700CTR#XW giúp bạn dễ dàng nắm rõ kích thước, cấu tạo và vị trí lắp đặt, đảm bảo thi công chính xác và an toàn.

Bản vẽ kỹ thuật chậu Lavabo Toto LT700CTRXW
Video giới thiệu Lavabo tròn Toto LT700CTR#XW Đặt Bàn
Nếu bạn đang còn phân vân mẫu sản phẩm Chậu rửa mặt Lavabo LT700CTR#XW đặt bàn có đúng như mô tả, hãy xem video review thực tế từ khách hàng đã sử dụng tại Showroom Tâm Anh:
Hãy liên hệ ngay với Showroom Tâm Anh để được tư vấn những mẫu chậu lavabo TOTO ưng ý, chất lượng và giá tốt nhất thị trường bạn nhé.
Liên hệ ngay để được hỗ trợ và tư vấn: 0967.136.177 - 0987.315.238
Xem thêm: Các mẫu thiết bị vệ sinh khác tại đây.