Tính năng hộp xịt xà phòng TOTO TX728AEV1Z
-
Tính thẩm mỹ: Hộp đựng xà phòng gắn chậu TOTO TX728AEV1Z TC385VS với thiết kế gọn gàng sang trọng với công dụng giúp tối ưu không gian phòng tắm và tiện lợi
-
Chất liệu nhựa : giúp cho nắp bồn cầu luôn giữ được độ sáng bóng và tươi mới
-
Tiện ích: điều chỉnh dễ dàng sử dụng phù hợp với cả gia đình
-
Đầu tư lâu dài: độ bền và chống phai màu rất cao , luôn giữ cho sản phẩm tươi sáng
-
Tiết kiệm diện tích: Hộp đựng xà phòng gắn chậu TOTO TX728AEV1Z giúp tận dụng không gian, đặc biệt hữu ích với phòng tắm nhỏ, nhưng vẫn giữ được sự sang trọng và ngăn nắp
Ưu điểm hộp xịt xà phòng TX728AEV1Z
-
Tối ưu thẩm mỹ phòng tắm: Thiết kế phong cách gọn gàng, tinh tế và đẳng cấp.
-
Phù hợp gia đình hiện đại: Mang lại phong cách sống tiện nghi, văn minh và nâng cao sức khỏe cho cả nhà
-
Đầu tư lâu dài: Chất lượng cao cấp từ thương hiệu TOTO Nhật Bản, tuổi thọ sử dụng lâu dài.
-
Đảm bảo vệ sinh tuyệt đối: giữ cho vệ sinh luôn được gọn gàng và sạch sẽ
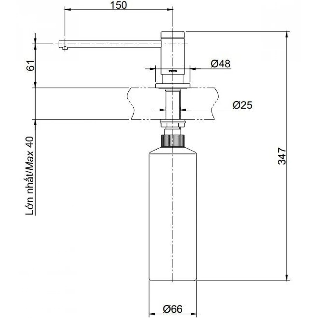
Bản vẽ kích thước nắp bồn cầu TOTO TX728AEV1Z
Dưới đây là bản vẽ kỹ thuật của hộp đựng xà phòng gắn chậu TOTO TX728AEV1Z

Bản vẽ kỹ thuật hộp đựng xà phòng gắn chậu TOTO TX728AEV1Z
Video giới thiệu hộp đựng xà phòng TOTO TX728AEV1Z
Nếu bạn đang phân vân liệu sản phẩm hộp đựng xà phòng gắn chậu TOTO TX728AEV1Z có đúng như mô tả, hãy xem video review thực tế từ khách hàng đã sử dụng tại Showroom Tâm Anh:
Hãy liên hệ ngay với Showroom Tâm Anh để được tư vấn những mẫu phụ kiện phòng tắm ưng ý, chất lượng và giá tốt nhất thị trường bạn nhé.
Liên hệ ngay để được hỗ trợ và tư vấn: 0967.136.177 - 0987.315.238