Tính năng máy sấy tay TOTO TYC322W
-
Tính thẩm mỹ: Máy sấy tay TOTO TYC322W với thiết kế gọn gàng sang trọng với công dụng giúp tối ưu không gian phòng tắm và tiện lợi
-
Lớp nhựa chất lượng cao: giúp cho vòi xả bồn luôn giữ được độ sáng bóng và tươi mới
-
Tiện ích: điều chỉnh dễ dàng sử dụng phù hợp với cả gia đình
-
Đầu tư lâu dài: độ bền và chống phai màu rất cao , luôn giữ cho sản phẩm tươi sáng
-
Tiết kiệm diện tích: Máy sấy tay TOTO TYC322W giúp tận dụng không gian, đặc biệt hữu ích với phòng tắm nhỏ, nhưng vẫn giữ được sự sang trọng và ngăn nắp
-
Công suất sấy nóng: lên đến 605~675W
-
Công suất khi sấy mát: 380~440W
-
Tiếng ồn không quá to: 57~59dB
Ưu điểm máy sấy tay TOTO TYC322W
-
Tối ưu thẩm mỹ phòng tắm: Thiết kế phong cách gọn gàng, tinh tế và đẳng cấp.
-
Phù hợp gia đình hiện đại: Mang lại phong cách sống tiện nghi, văn minh và nâng cao sức khỏe cho cả nhà
-
Đầu tư lâu dài: Chất lượng cao cấp từ thương hiệu TOTO Nhật Bản, tuổi thọ sử dụng lâu dài.
-
Đảm bảo vệ sinh tuyệt đối: giữ cho vệ sinh luôn được gọn gàng và sạch sẽ
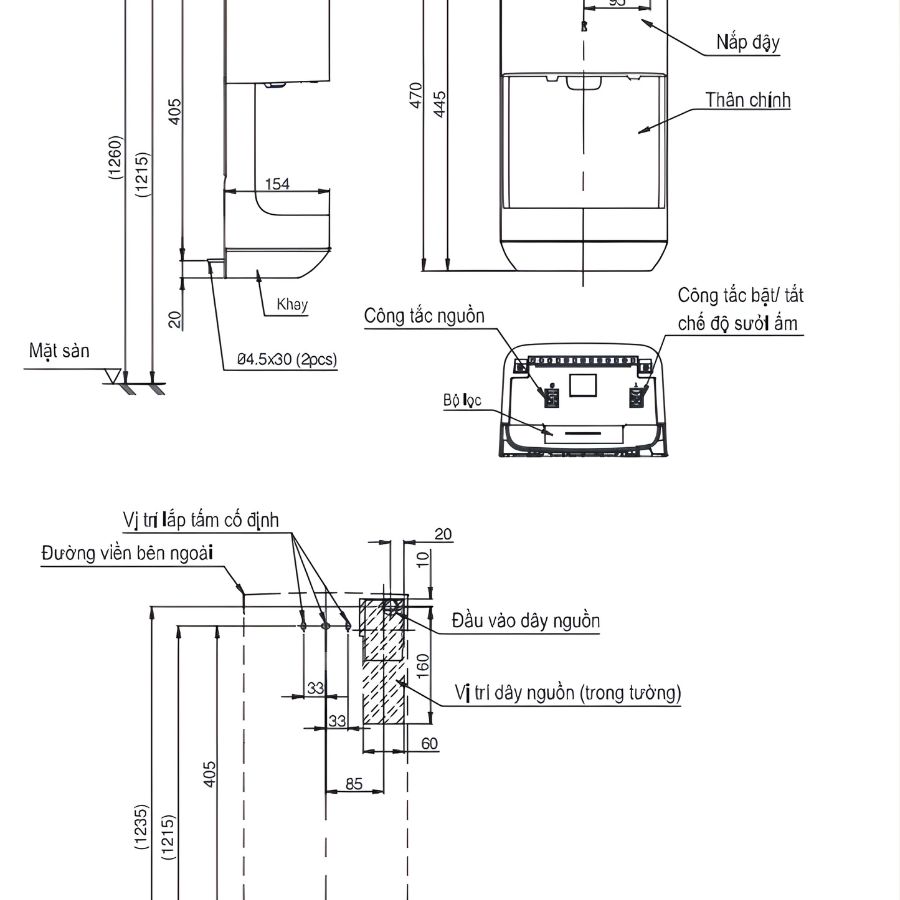
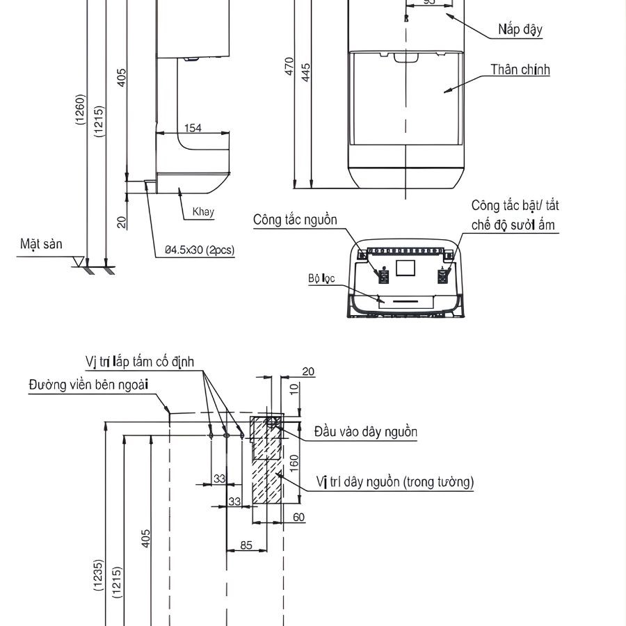
Bản vẽ kích thước máy sấy tay TOTO TYC322W
Dưới đây là bản vẽ kỹ thuật của Máy sấy tay TOTO TYC322W

Bản vẽ kỹ thuật Máy sấy tay TOTO TYC322W
Video giới thiệu máy sấy tay TOTO TYC322W
Nếu bạn đang phân vân liệu sản phẩm máy sấy tay TOTO TYC322W có đúng như mô tả, hãy xem video review thực tế từ khách hàng đã sử dụng tại Showroom Tâm Anh:
Hãy liên hệ ngay với Showroom Tâm Anh để được tư vấn những mẫu phụ kiện phòng tắm ưng ý, chất lượng và giá tốt nhất thị trường bạn nhé.
Liên hệ ngay để được hỗ trợ và tư vấn: 0967.136.177 - 0987.315.238