Tính năng móc treo giấy vệ sinh TOTO YH408RV
-
Nắp che: giúp giấy tránh bị ướt và các loại vi khuẩn ẩm mốc
-
Tính thẩm mỹ: móc treo với thiết kế gọn gàng sang trọng với công dụng giúp tối ưu không gian phòng tắm và tiện lợi
-
Lớp mạ Niken Crom: giúp cho móc treo luôn giữ được độ sáng bóng và tươi mới
-
Tiện ích: Làm cho giấy luôn được khô ráo và gọn gàng
-
Đầu tư lâu dài: độ bền và chống phai màu rất cao , luôn giữ cho sản phẩm tươi sáng
-
Tiết kiệm diện tích: Treo giấy lên tường giúp tận dụng không gian, đặc biệt hữu ích với phòng tắm nhỏ, nhưng vẫn giữ được sự sang trọng và ngăn nắp
Ưu điểm móc treo giấy TOTO YH408RV
-
Tối ưu thẩm mỹ phòng tắm: Thiết kế giấu dây tạo sự gọn gàng, tinh tế và đẳng cấp.
-
Phù hợp gia đình hiện đại: Mang lại phong cách sống tiện nghi, văn minh và nâng cao sức khỏe cho cả nhà
-
Đầu tư lâu dài: Chất lượng cao cấp từ thương hiệu TOTO Nhật Bản, tuổi thọ sử dụng lâu dài.
-
Đảm bảo vệ sinh tuyệt đối: giữ cho vệ sinh luôn được gọn gàng và sạch sẽ
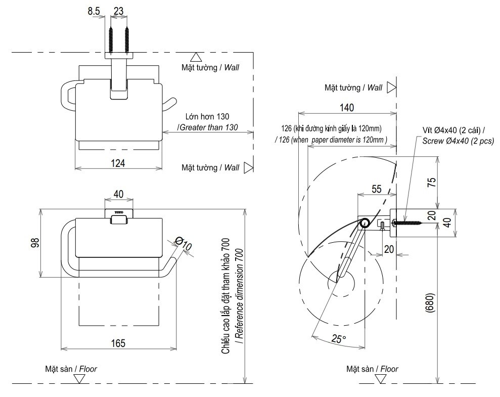
Bản vẽ kích thước hộp đựng giấy TOTO YH408RV
Dưới đây là bản vẽ kỹ thuật của móc treo giấy Toto YH408RV

Bản vẽ kỹ thuật hộp đựng giấy vệ sinh toto YH408RV
Video giới thiệu giá đỡ giấy TOTO YH408RV
Nếu bạn đang phân vân liệu sản phẩm lô giấy vệ sinh YH408RV có đúng như mô tả, hãy xem video review thực tế từ khách hàng đã sử dụng tại Showroom Tâm Anh:
Hãy liên hệ ngay với Showroom Tâm Anh để được tư vấn những mẫu phụ kiện phòng tắm ưng ý, chất lượng và giá tốt nhất thị trường bạn nhé.
Liên hệ ngay để được hỗ trợ và tư vấn: 0967.136.177 - 0987.315.238