Tính năng sen tắm nhiệt độ TOTO TBS03302V
-
Tính thẩm mỹ: Sen tắm nóng lạnh TOTO TBS03302V với thiết kế gọn gàng sang trọng với công dụng giúp tối ưu không gian phòng tắm và tiện lợi
-
Lớp mạ Niken Crom: giúp cho van luôn giữ được độ sáng bóng và tươi mới
-
Tiện ích: van điều chỉnh dễ dàng sử dụng phù hợp với cả gia đình
-
Đầu tư lâu dài: độ bền và chống phai màu rất cao , luôn giữ cho sản phẩm tươi sáng
-
Tiết kiệm diện tích: Sen tắm nóng lạnh TOTO TBS03302V giúp tận dụng không gian, đặc biệt hữu ích với phòng tắm nhỏ, nhưng vẫn giữ được sự sang trọng và ngăn nắp
Ưu điểm sen tắm nhiệt độ TOTO TBS03302V
-
Tối ưu thẩm mỹ phòng tắm: Thiết kế phong cách gọn gàng, tinh tế và đẳng cấp.
-
Phù hợp gia đình hiện đại: Mang lại phong cách sống tiện nghi, văn minh và nâng cao sức khỏe cho cả nhà
-
Đầu tư lâu dài: Chất lượng cao cấp từ thương hiệu TOTO Nhật Bản, tuổi thọ sử dụng lâu dài.
-
Đảm bảo vệ sinh tuyệt đối: giữ cho vệ sinh luôn được gọn gàng và sạch sẽ
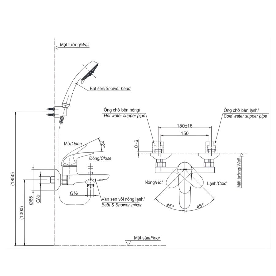
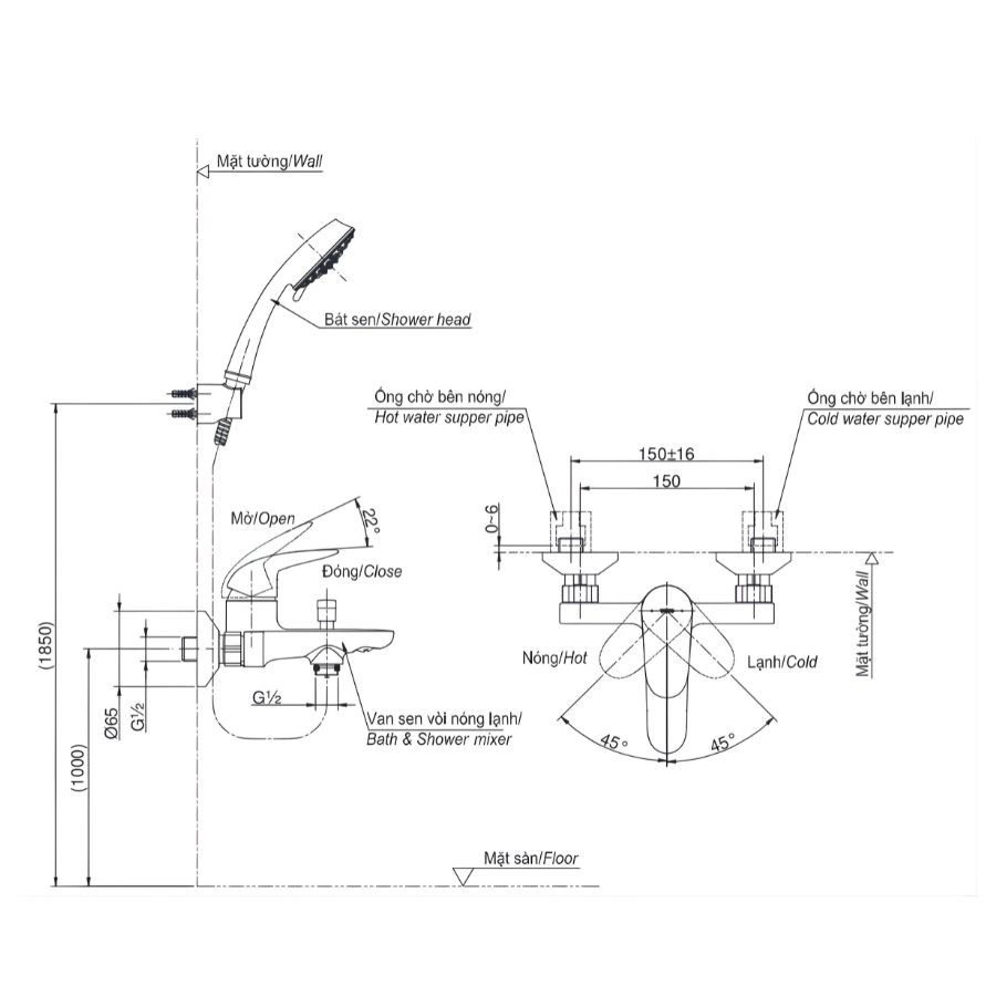
Bản vẽ kích thước van chỉnh nhiệt độ TOTO TBS03302V
Dưới đây là bản vẽ kỹ thuật của Sen tắm nóng lạnh TOTO TBS03302V

Bản vẽ kỹ thuật Sen tắm nóng lạnh TOTO TBS03302V
Video giới thiệu sen tắm nóng lạnh TOTO TBS03302V
Nếu bạn đang phân vân liệu sản phẩm Sen tắm nóng lạnh TOTO TBS03302V có đúng như mô tả, hãy xem video review thực tế từ khách hàng đã sử dụng tại Showroom Tâm Anh:
Hãy liên hệ ngay với Showroom Tâm Anh để được tư vấn những mẫu sen tắm TOTO ưng ý, chất lượng và giá tốt nhất thị trường bạn nhé.
Liên hệ ngay để được hỗ trợ và tư vấn: 0967.136.177 - 0987.315.238