Tính năng vòi lavabo nóng lạnh TOTO TLS04306V
-
Tính thẩm mỹ: Vòi lavabo nóng lạnh TOTO TLS04306V với thiết kế gọn gàng sang trọng với công dụng giúp tối ưu không gian phòng tắm và tiện lợi
-
Lớp đồng mạ niken crom : giày 3 lớp giúp cho vòi luôn giữ được độ sáng bóng, mới mẻ, chống ống vàng và luôn giữ được vẻ mới mẻ của vòi
-
Tiện ích: có chế độ xả nóng và lạnh phù hợp cho mọi gia đình , chế độ nóng lạnh rất dễ sử dụng trong bốn mùa quanh năm
-
Đầu tư lâu dài: độ bền và chống phai màu rất cao , luôn giữ cho sản phẩm tươi sáng
-
Tiết kiệm diện tích: Vòi lavabo nóng lạnh TOTO TLS04306V giúp tận dụng không gian, tiết kiệm diện tích. Không chỉ gọn gàng mà vòi chậu lavabo nóng lạnh mang lại sự sang trọng và hiện đại
Ưu điểm vòi chậu lavabo TOTO TLS04306V
-
Tối ưu thẩm mỹ phòng tắm: Thiết kế phong cách gọn gàng, tinh tế và đẳng cấp., phù hợp với hiện đại
-
Phù hợp gia đình hiện đại: Mang lại phong cách sống tiện nghi, văn minh và nâng cao sức khỏe cho cả nhà, phù hợp cho cả gia đình trẻ nhỏ và người cao tuổi có thể dễ dàng sử dụng
-
Đầu tư lâu dài: Chất lượng cao cấp từ thương hiệu TOTO Nhật Bản, tuổi thọ sử dụng lâu dài.
-
Đảm bảo vệ sinh tuyệt đối: giữ cho vệ sinh luôn được gọn gàng và sạch sẽ , hạn chế bắn nước ra ngoài và tiết kiệm nước
-
Chế độ gạt em ái: không gây tiếng ồn tạo cảm giác nhẹ nhàng và gần gũi với không gian gia đình
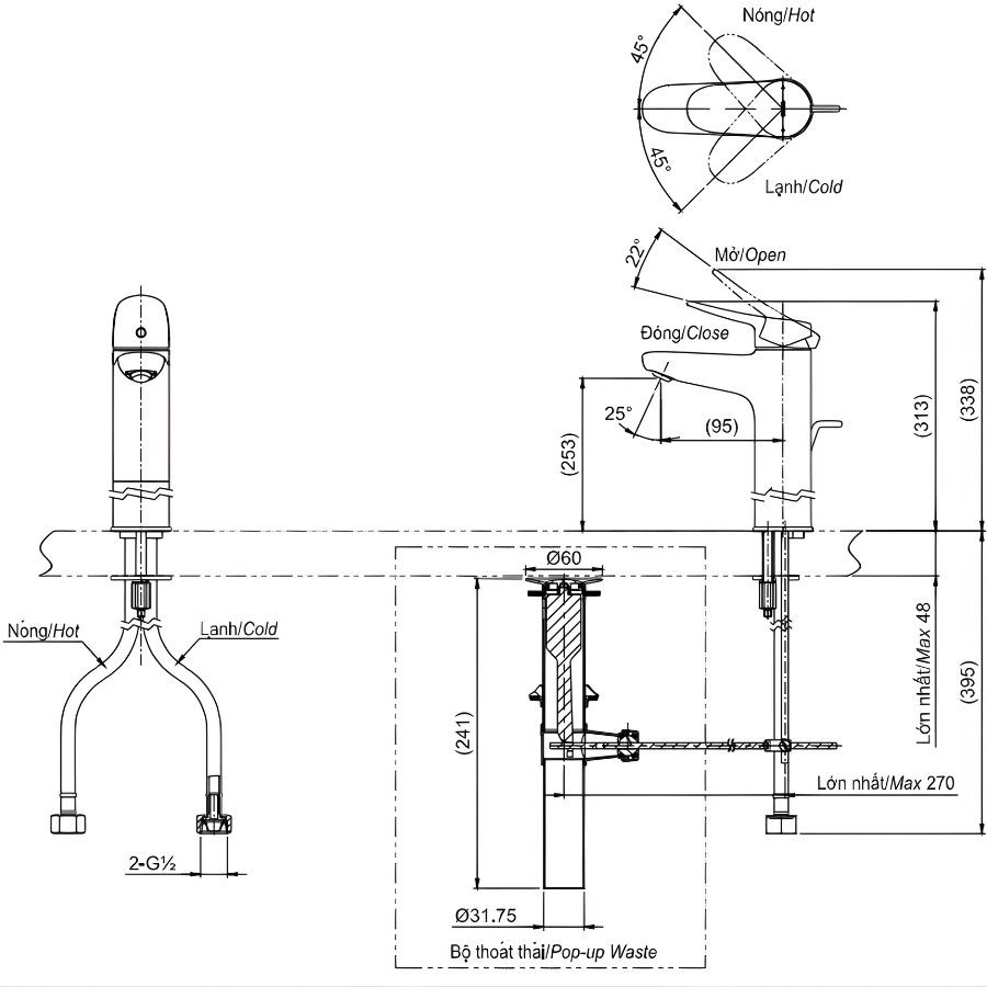
Bản vẽ kích thước vòi chậu nóng lạnh TOTO TLS04306V
Dưới đây là bản vẽ kỹ thuật của Vòi lavabo nóng lạnh TOTO TLS04306V

Bản vẽ kỹ thuật Vòi lavabo nóng lạnh TOTO TLS04306V
Video giới thiệu vòi chậu lavabo TOTO TLS04306V
Nếu bạn đang phân vân liệu sản phẩm Vòi lavabo nóng lạnh TOTO TLS04306V có đúng như mô tả, hãy xem video review thực tế từ khách hàng đã sử dụng tại Showroom Tâm Anh:
Hãy liên hệ ngay với Showroom Tâm Anh để được tư vấn những mẫu vòi lavabo TOTO ưng ý, chất lượng và giá tốt nhất thị trường bạn nhé.
Liên hệ ngay để được hỗ trợ và tư vấn: 0967.136.177 - 0987.315.238