Tính năng vòi xả bồn tắm 3 lỗ nóng lạnh TOTO TBG02305BB
-
Tính thẩm mỹ: Vòi xả bồn tắm TOTO TBG02305BB với thiết kế gọn gàng sang trọng với công dụng giúp tối ưu không gian phòng tắm và tiện lợi
-
Lớp mạ Niken Crom: giúp cho vòi xả bồn luôn giữ được độ sáng bóng và tươi mới
-
Tiện ích: van điều chỉnh dễ dàng sử dụng phù hợp với cả gia đình
-
Đầu tư lâu dài: độ bền và chống phai màu rất cao , luôn giữ cho sản phẩm tươi sáng
-
Tiết kiệm diện tích: Vòi xả bồn tắm TOTO TBG02305BB giúp tận dụng không gian, đặc biệt hữu ích với phòng tắm nhỏ, nhưng vẫn giữ được sự sang trọng và ngăn nắp
Ưu điểm vòi xả bồn TOTO TBG02305BB
-
Tối ưu thẩm mỹ phòng tắm: Thiết kế phong cách gọn gàng, tinh tế và đẳng cấp.
-
Phù hợp gia đình hiện đại: Mang lại phong cách sống tiện nghi, văn minh và nâng cao sức khỏe cho cả nhà
-
Đầu tư lâu dài: Chất lượng cao cấp từ thương hiệu TOTO Nhật Bản, tuổi thọ sử dụng lâu dài.
-
Đảm bảo vệ sinh tuyệt đối: giữ cho vệ sinh luôn được gọn gàng và sạch sẽ
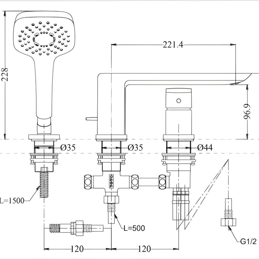
Bản vẽ kích thước vòi xả bồn TOTO TBG02305BB
Dưới đây là bản vẽ kỹ thuật của vòi xả bồn tắm 3 lỗ TOTO TBG02305BB

Bản vẽ kỹ thuật vòi xả bồn tắm 3 lỗ TOTO TBG02305BB
Video giới thiệu vòi xả bồn TOTO TBG02305BB
Nếu bạn đang phân vân liệu sản phẩm vòi xả bồn tắm TOTO TBG02305BB có đúng như mô tả, hãy xem video review thực tế từ khách hàng đã sử dụng tại Showroom Tâm Anh:
Hãy liên hệ ngay với Showroom Tâm Anh để được tư vấn những mẫu vòi xả bồn tắm ưng ý, chất lượng và giá tốt nhất thị trường bạn nhé.
Liên hệ ngay để được hỗ trợ và tư vấn: 0967.136.177 - 0987.315.238