Tính năng Bồn Cầu 2 khối TOTO CS948DE2 Nắp Rửa Cơ TCW07S
-
Thiết kế 2 khối hiện đại: két nước và thân cầu tách biệt, dễ dàng lắp đặt và vệ sinh.
-
Công nghệ xả xoáy Tornado: lực xả mạnh mẽ, làm sạch hiệu quả, hạn chế bám bẩn.
-
Lớp men CeFiONtect: hạn chế vi khuẩn và cặn bẩn bám dính, duy trì bề mặt sáng bóng.
-
Nắp rửa cơ TCW07S tiện lợi, hỗ trợ rửa bằng cơ chế tay gạt, không cần dùng điện, an toàn và thân thiện với môi trường.
-
Chức năng rửa trước: nắp rửa cơ chỉ có tính năng rửa phía trước, phù hợp nhu cầu cơ bản, đơn giản và dễ sử dụng.
-
Nắp đóng êm: chống va đập, tăng độ bền và tạo sự thoải mái khi sử dụng.
-
Thiết kế thân dài: tạo sự thoải mái tối đa cho người dùng.
-
Tiết kiệm nước: chế độ xả 2 nút nhấn 4.5/3L giúp giảm chi phí sinh hoạt và bảo vệ môi trường.
Ưu điểm bồn cầu đặt sàn TOTO MS948DE2 Nắp Rửa Cơ TCW07S
-
Thương hiệu TOTO uy tín toàn cầu: đảm bảo chất lượng, độ bền và chế độ bảo hành chính hãng.
-
An toàn và tiện lợi: nắp rửa cơ không cần điện, phù hợp với mọi gia đình, kể cả khu vực hay mất điện.
-
Dễ dàng vệ sinh: lớp men chống bám bẩn giúp việc lau chùi trở nên nhẹ nhàng, tiết kiệm thời gian.
-
Thiết kế sang trọng, phù hợp nhiều không gian: từ phòng tắm nhỏ gọn đến không gian cao cấp.
-
Giá trị sử dụng lâu dài: bền bỉ, ít hư hỏng, tối ưu chi phí bảo trì.
-
Thân thiện môi trường: tiết kiệm nước, giảm lượng hóa chất tẩy rửa cần dùng.
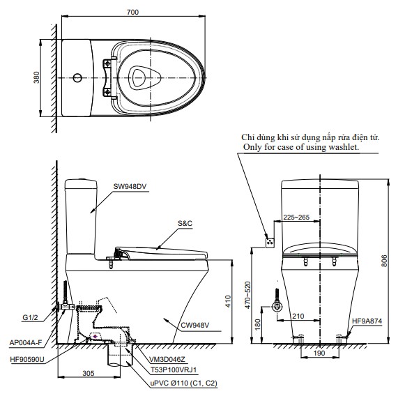
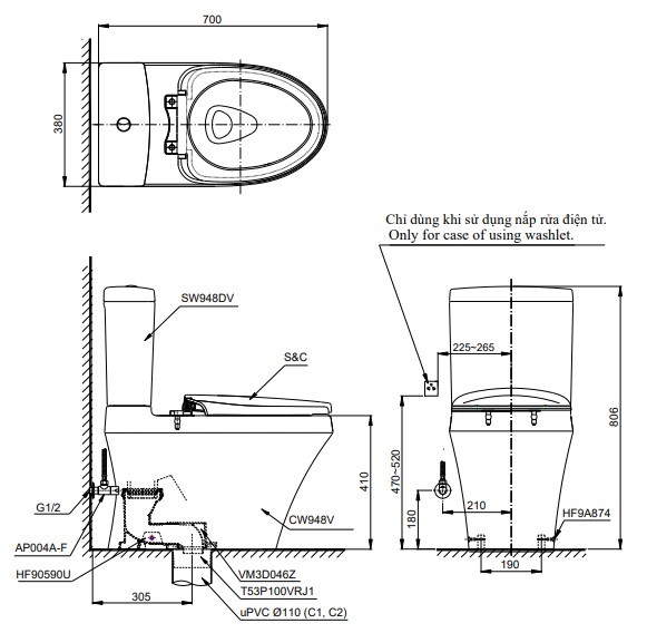
Bản vẽ kích thước bồn cầu thông minh TOTO CS948DE2 Nắp Rửa Cơ TCW07S
Dưới đây là bản vẽ kỹ thuật của bệt 948 giúp bạn hình dung rõ hơn về kích thước và thông số lắp đặt:

Bản vẽ kích thước bồn cầu hai khối TOTO CS948DE2 Nắp rửa cơ TCW07S
Video review bàn cầu 2 khối TOTO CS948DE4 Nắp Rửa Cơ TCW07S
Để giúp bạn có cái nhìn chân thực nhất về bàn cầu, dưới đây là video review chi tiết sản phẩm:
Hãy liên hệ ngay với Showroom Tâm Anh để được tư vấn những mẫu bồn cầu TOTO ưng ý, chất lượng và giá tốt nhất thị trường bạn nhé.
Liên hệ ngay để được hỗ trợ và tư vấn: 0967.136.177 - 0987.315.238