Tính năng tiểu nam TOTO UT557T
-
Tính thẩm mỹ: Bồn tiểu nam treo TOTO UT557T với thiết kế gọn gàng sang trọng với công dụng giúp tối ưu không gian phòng tắm và tiện lợi
-
Men sứ chống dính, chống bám bẩn CEFIONTECT : giúp cho vòi xả bồn luôn giữ được độ sáng bóng và tươi mới, chống mốc
-
Tiện ích: giúp tiết kiệm diện tích , mang lại tiện ghi cho phòng tắm
-
Đầu tư lâu dài: độ bền và chống phai màu rất cao , luôn giữ cho sản phẩm tươi sáng
-
Tiết kiệm diện tích: Bồn tiểu nam treo TOTO UT570T giúp tận dụng không gian, đặc biệt hữu ích với phòng tắm nhỏ, nhưng vẫn giữ được sự sang trọng và ngăn nắp
Ưu điểm tiểu nam treo TOTO UT557T
-
Tối ưu thẩm mỹ phòng tắm: Thiết kế phong cách gọn gàng, tinh tế và đẳng cấp.
-
Phù hợp gia đình hiện đại: Mang lại phong cách sống tiện nghi, văn minh và nâng cao sức khỏe cho cả nhà
-
Đầu tư lâu dài: Chất lượng cao cấp từ thương hiệu TOTO Nhật Bản, tuổi thọ sử dụng lâu dài.
-
Đảm bảo vệ sinh tuyệt đối: giữ cho vệ sinh luôn được gọn gàng và sạch sẽ
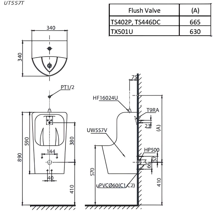
Bản vẽ kích thước bồn tiểu nam TOTO UT557T
Dưới đây là bản vẽ kỹ thuật của Bồn tiểu nam treo TOTO UT557T

Bản vẽ kỹ thuật Bồn tiểu nam treo TOTO UT557T
Video giới thiệu bồn tiểu nam treo TOTO UT557T
Nếu bạn đang phân vân liệu sản phẩm Bồn tiểu nam treo TOTO UT557T có đúng như mô tả, hãy xem video review thực tế từ khách hàng đã sử dụng tại Showroom Tâm Anh:
Hãy liên hệ ngay với Showroom Tâm Anh để được tư vấn những mẫu tiểu nam treo tường ưng ý, chất lượng và giá tốt nhất thị trường bạn nhé.
Liên hệ ngay để được hỗ trợ và tư vấn: 0967.136.177 - 0987.315.238