Tính năng nắp bàn cầu TOTO TC600VS
-
Tính thẩm mỹ: Nắp bồn cầu TOTO TC600VS với thiết kế gọn gàng sang trọng với công dụng giúp tối ưu không gian phòng tắm và tiện lợi
-
Chất liệu nhựa : giúp cho nắp bồn cầu luôn giữ được độ sáng bóng và tươi mới
-
Tiện ích: điều chỉnh dễ dàng sử dụng phù hợp với cả gia đình
-
Đầu tư lâu dài: độ bền và chống phai màu rất cao , luôn giữ cho sản phẩm tươi sáng
-
Tiết kiệm diện tích: Nắp bồn cầu TOTO TC600VS giúp tận dụng không gian, đặc biệt hữu ích với phòng tắm nhỏ, nhưng vẫn giữ được sự sang trọng và ngăn nắp
Ưu điểm nắp bàn cầu TC600VS
-
Tối ưu thẩm mỹ phòng tắm: Thiết kế phong cách gọn gàng, tinh tế và đẳng cấp.
-
Phù hợp gia đình hiện đại: Mang lại phong cách sống tiện nghi, văn minh và nâng cao sức khỏe cho cả nhà
-
Đầu tư lâu dài: Chất lượng cao cấp từ thương hiệu TOTO Nhật Bản, tuổi thọ sử dụng lâu dài.
-
Đảm bảo vệ sinh tuyệt đối: giữ cho vệ sinh luôn được gọn gàng và sạch sẽ
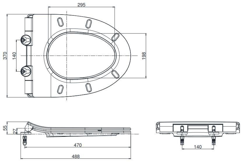
Bản vẽ kích thước nắp bồn cầu TOTO TC600VS
Dưới đây là bản vẽ kỹ thuật của nắp bồn cầu TOTO TC600VS

Bản vẽ kỹ thuật nắp bồn cầu TOTO TC600VS
Video giới thiệu nắp bồn cầu TOTO TC600VS
Nếu bạn đang phân vân liệu sản phẩm nắp bàn cầu TOTO TC600VS có đúng như mô tả, hãy xem video review thực tế từ khách hàng đã sử dụng tại Showroom Tâm Anh:
Hãy liên hệ ngay với Showroom Tâm Anh để được tư vấn những mẫu bồn cầu TOTO ưng ý, chất lượng và giá tốt nhất thị trường bạn nhé.
Liên hệ ngay để được hỗ trợ và tư vấn: 0967.136.177 - 0987.315.238