Tính năng van xả tiểu nam TOTO DUE126UK
-
Tính thẩm mỹ: Van xả tiểu nam TOTO DUE126UK với thiết kế gọn gàng sang trọng với công dụng giúp tối ưu không gian phòng tắm và tiện lợi
-
Chất liệu thép không gỉ : làm cho tiểu nam luôn giữ được độ sáng bóng và tươi mới, chống mốc
-
Tiện ích: giúp tiết kiệm diện tích , mang lại tiện ghi cho phòng tắm
-
Đầu tư lâu dài: độ bền và chống phai màu rất cao , luôn giữ cho sản phẩm tươi sáng
-
Tiết kiệm diện tích: Van xả tiểu nam TOTO DUE126UK giúp tận dụng không gian, đặc biệt hữu ích với phòng tắm nhỏ, nhưng vẫn giữ được sự sang trọng và ngăn nắp
Ưu điểm tiểu nam treo TOTO DUE126UK
-
Tối ưu thẩm mỹ phòng tắm: Thiết kế phong cách gọn gàng, tinh tế và đẳng cấp.
-
Phù hợp gia đình hiện đại: Mang lại phong cách sống tiện nghi, văn minh và nâng cao sức khỏe cho cả nhà
-
Đầu tư lâu dài: Chất lượng cao cấp từ thương hiệu TOTO Nhật Bản, tuổi thọ sử dụng lâu dài.
-
Đảm bảo vệ sinh tuyệt đối: giữ cho vệ sinh luôn được gọn gàng và sạch sẽ
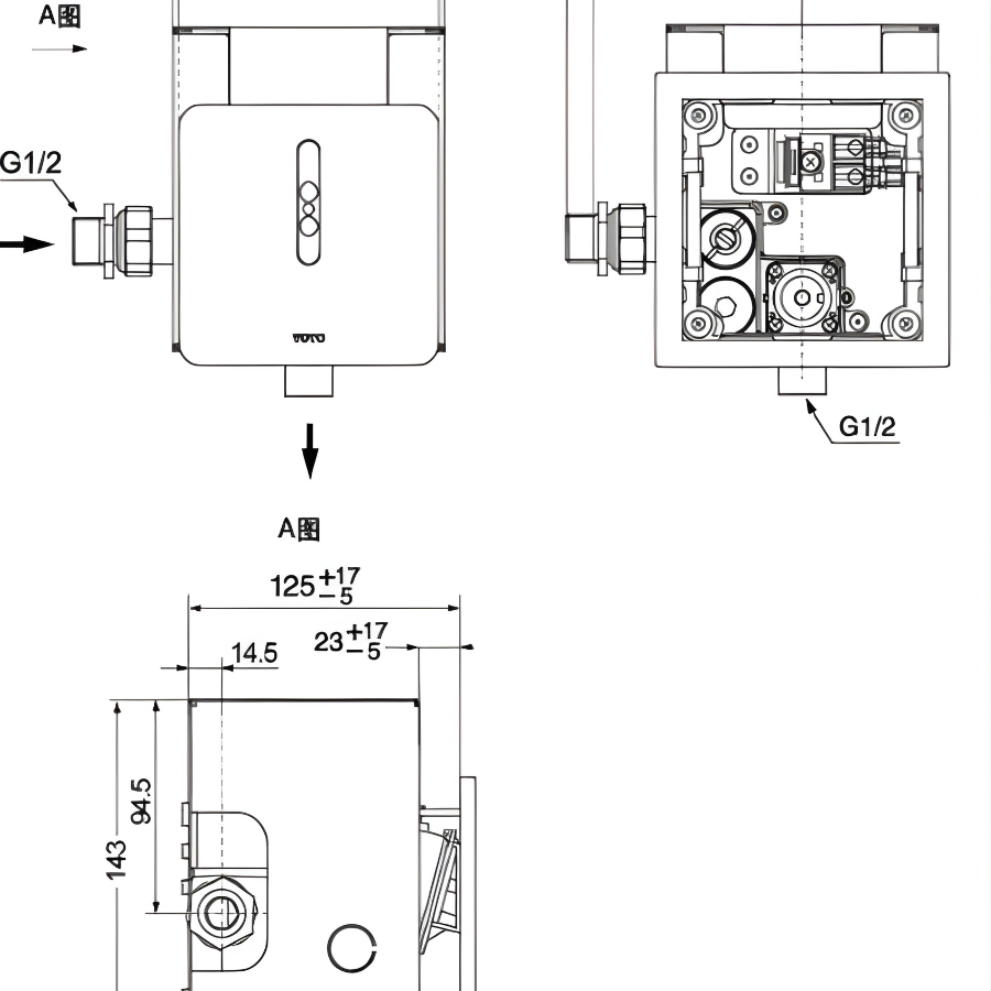
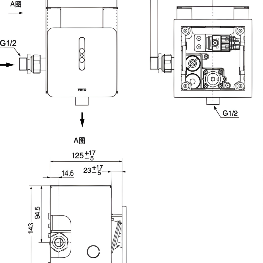
Bản vẽ kích thước van xả tiểu nam TOTO DUE126UK
Dưới đây là bản vẽ kỹ thuật của Van xả tiểu nam TOTO DUE126UK

Bản vẽ kỹ thuật Van xả tiểu nam TOTO DUE126UK
Video giới thiệu van xả tiểu nam TOTO DUE126UK
Nếu bạn đang phân vân liệu sản phẩm Van xả tiểu nam TOTO DUE126UK có đúng như mô tả, hãy xem video review thực tế từ khách hàng đã sử dụng tại Showroom Tâm Anh:
Hãy liên hệ ngay với Showroom Tâm Anh để được tư vấn những mẫu van xả tiểu nam ưng ý, chất lượng và giá tốt nhất thị trường bạn nhé.
Liên hệ ngay để được hỗ trợ và tư vấn: 0967.136.177 - 0987.315.238